
如今,電磁干擾越來越成為產品關注的焦點,也成為產品進入國外市場的重要瓶頸。由于中國長期忽視這一領域,以及測試設備及其昂貴等諸多因素,中國在這一領域的發展相對緩慢。
了解這一領域的工程師很少,這已經成為大多數工程師和國內企業研發部門最頭疼的問題。當他們解決這些產品的問題時,他們中的大多數人都是盲人。在走了很多彎路后,他們幾乎沒有解決這個問題。這種經驗是不可復制的,在以下產品的開發中仍然會面臨各種各樣的問題,即使在解決的產品中,商品數量不夠,在批量生產中,更隨機。
電磁兼容真的那么難嗎?
今天,讓我們拋開事物的謎團,掌握事物的本質,徹底理解和掌握電磁兼容性的原因,找到解決辦法,讓工程師睡個好覺。
破解模擬硬件設計有三個定律:
一、源、回路、阻抗;
第二,電路是波形整形,從無用的波形到有用的波形,包括形狀和相位整形;
第三,熟悉元器件的參數、包裝、魯棒性和成本,從而在臨界區域設計產品。
在這里,我們可以利用第一定律源、電路和阻抗將其融入產品設計,幫助我們糾正電磁兼容性問題,利用第三定律的組件進行包裝,優化電磁兼容性問題。
電磁兼容性,簡稱EMC(Electromagneticompatibility)。它包括兩個方面,一個是干擾其他電氣產品,簡稱EMI(electromagnetinetice),即電磁干擾;另一種是被其他電氣產品干擾,稱為抗干擾。我們用EMS(electromagnetictictibility)說。
為了解決電磁兼容性問題,我們必須首先了解頻率帶寬的問題。一般來說,帶寬是信號的頻率,而信號頻率的本質是信號的速度。那么,信號速度的本質是什么呢?它是信號的上升斜率和下降斜率。信號斜率(包括信號的上升斜率和下降斜率,統稱為這里),信號斜率越慢,絕大多數只能通過導線傳輸,其頻率一般在0-30mHz之間,這是我們傳輸測試的關鍵測試。信號斜率越快(一般頻率在30mHz-3zHz之間,即所謂的帶寬),可以通過天線輻射到空間,包括電源引入線,包括元件的圓角,包括直角。
測量哪些內容?
EMC測量包括兩個方面:第一傳導測試和第二輻射測試。傳導測試主要測量導線,輻射測試主要測試空間4米天線和10米天線。
ESD測試是什么?
ESD測試是關于靜電測試的。當靜電擊中產品時,產品不會異常運行。
噪音是什么?
一般來說,我們統稱輸入的無用信號為噪聲。起初,由于電源發出一些聲音,我們稱之為噪聲,但實際上,人耳接收頻段的能力有限,2Hz-2KHz。事實上,更多的頻段信息(無用信號)是聽不見的,所以我們稱所有對設備本身無用的信號為噪聲。簡而言之,所有無用的波形都是噪音。
因此,干擾應包括三個要素:騷擾源、傳播途徑和敏感設備。騷擾源有兩種,一種是電場騷擾源,另一種是磁場騷擾源。
從第一大定律來看,源-這里的源是指騷擾源,包括電場、磁場和電磁場引起的騷擾。然后,從這個頻段的角度來看,30m以下的傳導干擾和30m以上的輻射干擾。電路-30m以下的傳導干擾,其傳輸路徑(電路)為引線,也包括PCB接線;30m以上的干擾,其傳輸路徑為空間,由天線發射和接收。阻抗-阻抗是指電路中波形衰減的能力稱為阻抗。從兩個主要方向回答,仍然從傳導和輻射進行分析。首先,討論傳導阻抗的問題。傳導阻抗可以在電路中有兩個方面,第一個方面是差模干擾,第二個是共模干擾。
差模干擾是指兩條電源線之間的抑制和衰減,主要通過選擇合適的電容器(X電容器,也稱為安全電容器)和差模線圈。共模干擾是兩條電源線分別對地面(簡稱地面),主要通過選擇合適的電容器(Y電容器,也是安全級別)和共模線圈進行抑制和衰減。我們常用的低通濾波器通常具有抑制共模和差模干擾的功能。
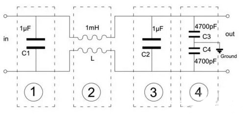
如下圖:
圖1.低通濾波器原理圖
如圖1所示,3是差模電容,2是共模電感,4是共模電容。
由1、2、3組成的π濾波器,由1、3組成的電容器主要是過濾兩條線之間的信號差,因此得名。這兩個電容器的值一般為0.22uf-1.5uf。當干擾超標時,一般的解決方案是增加這兩個電容器的值,但隨著電容器值的增加,漏電流會增加,這需要注意。
由于差模電容器連接到L和N線之間,它實際上與后負載并聯。此外,由于電容器對低頻信號有很強的阻礙作用,它對高頻信號有很強的導通性和低阻抗作用。當50Hz-60Hz低頻交流信號流過電容器兩端時,由于電容器的阻抗性能極大,電容器不起任何作用,這意味著沒有電容器。當差模信號通過時(差模信號一般為高頻無用信號),電容器性能為通路,阻抗非常小。在高頻信號下,電容器相當于短路后負載,因此后負載不會受到高頻信號的干擾。例如下圖,差模電容器的工作原理。以上是利用張先生最大的定律源、電路和阻抗來分析差模電容器的特性。
圖2.差模電容工作原理
2是共模電感,上面有兩個獨立的線圈,相反的方向纏繞在同一個圓形閉合的磁芯上。由于這兩根電線的大小相等,相反的方向相反,磁場相互抵消。共模電感與后負載串聯。當差分信號通過時(差分信號通常是高頻無用信號),由于電感阻礙電流的變化,此時電感表現為大電阻,后負載類似于小電阻,電感承受了絕大多數高次諧波的壓降。根據電阻分壓原理,后負載得到的電壓接近于零。當50Hz-60Hz低頻交流信號流過電感兩端時,由于電感的感抗性能極小,電感幾乎沒有阻礙,這意味著沒有這種電感。所以我們說這種電感對差分信號起作用。如圖所示,共模電感的工作原理如下。以上仍采用張先生的第一個定律源、電路和阻抗來分析共模電感的特性。共模電感的感應選擇一般在幾百微恒到幾毫米的水平。
圖3.共模電感工作原理
4是共模電容器。這兩個電容器以Y型命名,因為它們分別連接L和N線,并對地面(不是電路中的地面)。一般來說,電路中的地面是GND和浮動地面,而共模電容器的地面是地面earth)。因為Y電容器的一端與地面相連,它實際上與背面的負載并聯。如圖所示,共模電容器的工作原理。當50Hz-60Hz低頻交流信號通過Y電容器的兩端時,由于電容器的阻抗性能極大,相當于斷路,不導通。當共模信號通過時(共模信號通常是高頻無用信號),電容器表現為通路,阻抗性很小。高頻信號通過Y電容器到達地面,后面的負載不會受到高頻信號的干擾。以上仍采用張先生的第一個定律源、電路和阻抗來分析共模電容器的特性。共模電容器的值一般為2200pf-6800pf。其值越大,越容易解決干擾問題,但泄漏越大,取值越重。
圖4.共模電容工作原理
當電路中的正常電流流經共模電感時,電流在同相位繞制的電感線圈中產生反向的磁場而相互抵消,此時正常信號電流主要受線圈電阻的影響(和少量因漏感造成的阻尼);當有共模電流流經線圈時,由于共模電流的同向性,會在線圈內產生同向的磁場而增大線圈的感抗,使線圈表現為高阻抗,產生較強的阻尼效果,以此衰減共模電流,達到濾波的目的。
一般 濾波器不單獨使用差模線圈,因為共模電感兩邊繞線不一致等原因,電感必定不會相同,因此能起到一定的差模電感的作用。如果差模干擾比較嚴重,就要追加差模線圈。